strona główna Zespoły napędowe Suche sprzęgło podwójne Ford 1.0
2019-09-12, ostatnia aktualizacja 2019-09-12 06:00

Podręcznik mechaniki pojazdowej

Suche sprzęgło podwójne Ford 1.0

Fot. Schaeffler

Fot. Schaeffler

Opisywane w niniejszym odcinku suche sprzęgło podwójne znajduje zastosowanie w samochodach: Ford 1.0 z 6-biegową skrzynią DPS6, Hyundai i Kia z 6-biegową skrzynią D6GF1, Renault z 6-biegową skrzynią DC0/DC4 oraz Smart z 6-biegową skrzynią H-DCT.

System składa się z trzech głównych elementów: dwumasowego koła zamachowego (DKZ), sprzęgła podwójnego i zespołu zasprzęglającego z siłownikami.

Jednostka sterująca, zamocowana na zewnątrz skrzyni biegów, steruje pracą silników wykonawczych, napędzających dźwignie zasprzęglające, które naprzemiennie włączają i rozłączają oba sprzęgła.

Podczas jazdy układ elektroniczny mierzy m.in. następujące wartości:

  • prędkość wejściową skrzyni biegów,
  • prędkość pojazdu,
  • położenie wodzików zmiany biegów,
  • położenie pedału gazu,
  • informacje z pedału hamulca.

W zależności od tych danych, jednostka sterująca wyłącza i włącza właściwy bieg za pomocą silników załączających, zamontowanych w sterowniku skrzyni biegów. Oddziałują one bezpośrednio na wodziki wewnątrz skrzyni.

Moduł składa się z dwóch sprzęgieł, które w czasie, gdy silnik jest wyłączony, a także podczas pracy na biegu jałowym, są w stanie rozłączonym (standardowo otwarte). Podczas jazdy jedno ze sprzęgieł jest zawsze załączone, co oznacza, że jedna z dwóch części skrzyni przenosi moment obrotowy. W tym czasie w drugiej części skrzyni zostaje załączony kolejny bieg.

Zmiana biegów następuje poprzez rozłączenie pierwszego i załączenie drugiego sprzęgła. Moment obrotowy przenoszony jest poprzez załączony wcześniej bieg. Oznacza to możliwość jazdy praktycznie bez strat w przeniesieniu mocy.

Moduł podwójnego sprzęgła

W dwusprzęgłowej skrzyni biegów każda z jej części jest oddzielną przekładnią mechaniczną, a każde sprzęgło jest odpowiedzialne za jedną z przekładni.

Sprzęgła przekazują moment obrotowy na oddzielne wałki sprzęgłowe. Wałek pełny jest osadzony w wałku drążonym.

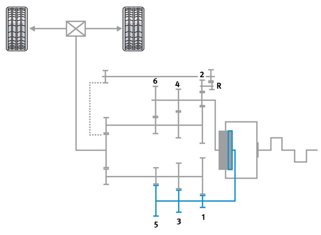
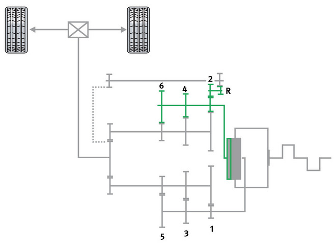
Biegi 1., 3. i 5. są obsługiwane przez sprzęgło K1, a moment obrotowy wprowadzany jest poprzez wał pełny. Do obsługi biegów 2., 4. i 6. oraz biegu wstecznego służy sprzęgło K2; moment obrotowy wprowadzany jest do przekładni przez wał drążony.

Płyta centralna z dwoma powierzchniami ciernymi jest głównym elementem sprzęgła. Przez łożysko podporowe jest ułożyskowana na wale drążonym.

Po jednej stronie płyty znajduje się tarcza i odpowiadający jej docisk sprzęgła.

Zasada działania

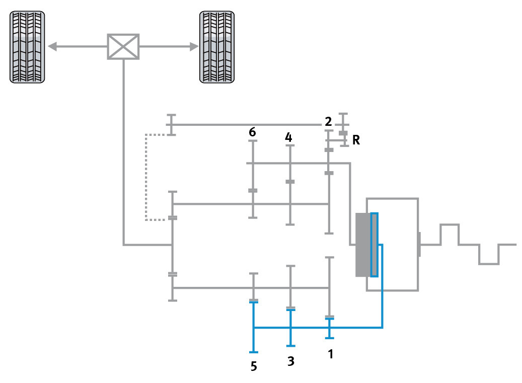
Podczas jazdy na biegu 1., 3. lub 5., aktywowany jest silnik krokowy dla sprzęgła K1. Dźwignia zasprzęglająca wraz z dużym łożyskiem oporowym przesuwa się w kierunku do sprzęgła. Zewnętrzna dźwignia talerzowa przenosi ten ruch na ściąg, który działając w kierunku odwrotnym, przekazuje siłę na płytę docisku zasprzęglającą tarczę sprzęgła K1. Ta z kolei przekazuje moment obrotowy silnika na pełny wałek sprzęgłowy.

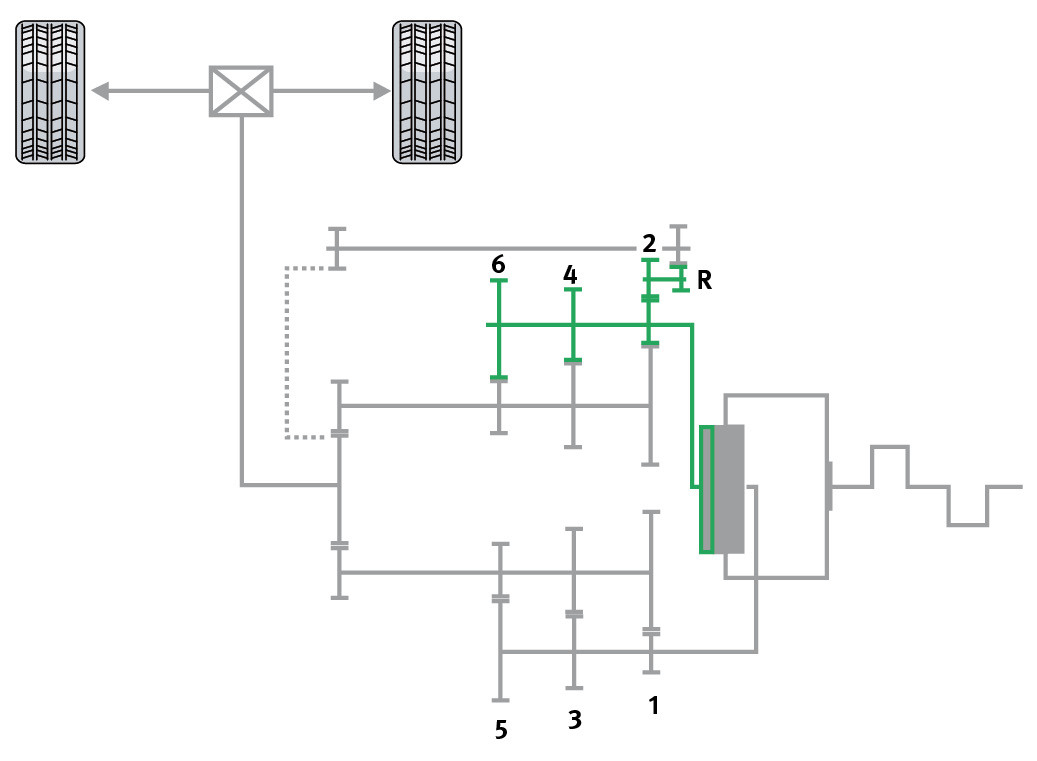
Jazda na biegach 2., 4. lub 6. odbywa się dzięki silnikowi krokowemu obsługującemu sprzęgło K2. Węższa dźwignia zasprzęglającą poprzez łożysko oporowe naciska na wewnętrzną dźwignię talerzową, zaciskającą dociskiem K2 tarczę K2 do płyty centralnej, tworząc połączenie cierne z tarczą. Następuje przeniesienie momentu obrotowego z silnika na drążony wałek sprzęgłowy. W tym samym czasie sprzęgło K1 zostaje otwarte.

Układ zasprzęglajacy

W manualnych skrzyniach ze sprzęgłami jednotarczowymi w stanie spoczynku sprzęgło jest załączone. Poprzez nacisk na pedał sprzęgła następuje uwolnienie tarczy sprzęgła i rozłączenie napędu. Ten proces zachodzi przy współudziale układu wysprzęglajacego.

W omawianym układzie sprzęgła dwutarczowego tarcze są w stanie spoczynku rozłączone (standardowo otwarte). Ich zamknięcie następuje przez oddziaływanie siłownika na dźwignię. Zatem system nazywamy zasprzęglającym.

System sterowany jest elektrycznie i zawiera oba łożyska zasprzęglające dla K1 i K2 (1 i 2), tuleję prowadzącą (3) oraz dwie dźwignie (4 i 5). Elementy zamontowane są wewnątrz obudowy. Na zewnątrz zamontowane są silniki krokowe (6 i 7). Napęd przekazywany jest za pomocą zębatek. Oba układy zasprzęglające są funkcjonalnie identyczne, jednakże rozstaw dźwigni zasprzęglających jest inny.

Budowa dźwigni zasprzęglających

Dźwignia składa się z podstawy, trzpienia napędzającego, trawersu (tuleja przesuwna z rolkami), łapy zasprzęglającej oraz sprężyny powrotnej. Razem stanowią zespół zasprzęglający.

Podstawa służy jako element zamocowania do obudowy skrzyni i precyzyjnego prowadzenia rolek. Łapa zasprzęglająca przyciśnięta jest sprężynami powrotnymi stanowiącymi punkt obrotu i źródło napięcia.

Budowa i zasada działania sprężyny powrotnej

Sprężyna powrotna (3) stanowi źródło napięcia i jest zamontowana w tulei (2). W dolnej części śruby (1) znajduje się kołnierz ograniczający skok tulei. Sprężyna ściśnięta jest od góry nakrętką (4) i w sposób optymalny fabrycznie wyregulowana.

Dźwignia zasprzęglająca, jak również tuleja posiadają specjalne przetłoczenia faliste, które umożliwiają właściwe prowadzenie dźwigni oraz stanowią precyzyjny punkt podparcia dla optymalnej pracy zespołu. W początkowej fazie zasprzęglania tuleja ściska sprężynę powrotną. Powstająca w ten sposób siła będzie w fazie końcowej wykorzystana do załączenia sprzęgła.

Dla zapewnienia jak najlepszej pracy układu dźwignia i sprężyna powrotna są do siebie optymalnie dopasowane. W celu ułatwienia identyfikacji tuleję i dźwignię opisano tym samym ciągiem czterech cyfr.

Zasada działania

Silnik krokowy przesuwa za pomocą śruby tocznej środkowy punkt podparcia dźwigni zasprzęglającej, tzw. trawers. Ma to wpływ na podział dźwigni podlegającej stałym zmianom podczas fazy zasprzęglania.

W tej fazie trawers przesuwa się w kierunku wałka sprzęgłowego. Wskutek nachylenia dźwigni dochodzi do naprężenia sprężyny powrotnej. Rośnie siła nacisku na łożysko, lecz z uwagi na niekorzystny podział dźwigni jest ona za mała, żeby załączyć sprzęgło.

Dalsze przesuwanie trawersu powoduje coraz większy naciąg sprężyny powrotnej, aż do chwili, gdy zmieniony stopień podziału dźwigni, wraz z siłą napięcia sprężyny powrotnej, wystarczy do załączenia sprzęgła.

Umiejętne wykorzystanie zasady dźwigni pozwala na zachowanie niemal stałej siły napędowej silników wykonawczych, co wpływa znacząco na redukcję gabarytów tych silników. Niski pobór mocy i wysoka adaptacyjność pozwalają wykorzystać system w przyszłych układach hybrydowych.

Siła napięcia sprężyny powrotnej [FSprężyna] i wynikający z aktualnego położenia trawersu [x] stopień podziału dźwigni [x/(L-x)] określają wartość siły załączającej sprzęgło [FSprzęgło].

Aby załączyć sprzęgło, trawers musi być przesunięty do pozycji maksymalnej [POZmax].

Siła trawersu [FTrawersu] jest sumą sił sprężyny i sprzęgła, pomnożoną przez kąt nachylenia [α].

Awaryjne rozłączenie sprzęgieł

W związku z tym, że system zasprzęglający jest aktywny, w odróżnieniu od skrzyń sterowanych manualnie, w chwili awarii jednostki sterującej sprzęgło mogłoby pozostać w stanie załączenia. Zatem podczas awarii samochód nie może się przemieszczać, pomimo załączonego biegu.

System jest tak zbudowany, że w chwili przerwy w dopływie napięcia do silnika sprężyna automatycznie rozłączy sprzęgło. W tym przypadku podczas awarii samochód jest mobilny, pomimo załączonego biegu.

Części składowe systemu

Schemat skrzyni biegów

Elementy składowe modułu

Sprzęgło K1 obsługuje biegi 1., 3. i 5.

Sprzęgło K2 obsługuje biegi 2., 4., 6. oraz bieg wsteczny

Sprzęgło podwójne – przekrój podłużny

Kierunki przesuwania dźwigni zasprzęglających i ich oddziaływanie na elementy sprzęgła. Z lewej – podczas jazdy na biegach 1., 3. lub 5., z prawej – podczas jazdy na biegach 2., 4. lub 6.

Elementy składowe układu zasprzęglającego

Budowa dźwigni zasprzęglającej

Elementy składowe sprężyny powrotnej

Zasada działania sprężyny powrotnej

Działanie systemu awarynego rozłączania

Tagi

Sprzęgło 



 

Wasi dostawcy


Podobne

Polecane


ver. 2023#2