System przeciwblokujący układ hamulcowy. Jego zadaniem jest automatyczny dobór takich sił hamowania, by uniemożliwić przekroczenie dopuszczalnej wartości poślizgu opony. Pozwala na hamowanie z zachowaniem kontroli nad pojazdem. Takie samo zadanie spełnia system » SCS (stop control system). Odmianą układu ABS stosowaną tylko na tylnej osi, głównie w małych ciężarówkach, jest RABS (rear antilock brake system) i » RWAL (rear wheel antilock system).


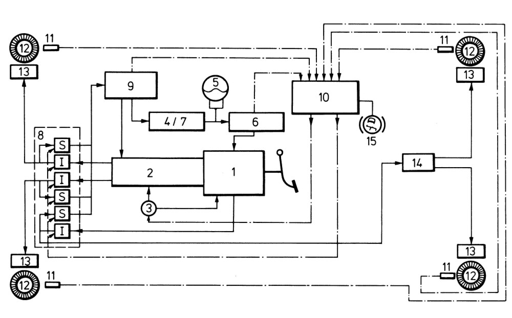
Legenda: 1. urządzenie wspomagające 2. dwusekcyjna pompa hamulcowa 3. elektrozawór główny 4. pompa elektryczna 5. akumulator ciśnienia 6. wyłącznik ciśnieniowy 7. silnik pompy 8. hydrauliczny zespół sterujący 9. zbiornik płynu hamulcowego 10. elektroniczny zespół sterujący 11. czujnik prędkości koła 12. tarcza referencyjna czujnika 13. zacisk hamulcowy 14. elektrozawór kół tylnych 15. lampka kontrolna ABS S, I elektrozawory (dolotowy i wylotowy) odcinające pompę dwusekcyjną