Zrozumienie poszczególnych faz sterowania wtryskiwaczem elektromagnetycznym CR wymaga analizy zachodzących zjawisk fizycznych oraz korelacji przebiegów prądowych i napięciowych sygnału sterującego.
Przebieg prądowy sterujący wtryskiwaczem elektromagnetycznym CR można podzielić na cztery wyodrębnione fazy pracy, przedstawione na załączonym schemacie.
Zobacz także
• Sterowanie wtryskiwaczami elektromagnetycznymi CR (cz. I)
Fazy pracy zaworu elektromagnetycznego
Pierwsza z nich, czyli faza Booster, zwana jest również fazą otwierania. W jej trakcie zdefiniowane napięcie kondensatora Uc jest podawane na cewkę zaworu elektromagnetycznego wtryskiwacza. Napięcie to może być generowane przez układ elektroniczny sterowania w urządzeniu testującym wtryskiwacze lub w sterowniku systemu CR w pojeździe. Osiąga ono wartości wielokrotnie wyższe niż napięcie akumulatora UBatt, dzięki czemu powoduje gwałtowny wzrost prądu w cewce elektrozaworu, aż do uzyskania zdefiniowanego poziomu IBoost. Mała tolerancja fazy Boost pozwala osiągać wysoką powtarzalność objętości wtryskiwanych dawek.

Fazy pracy zaworu elektromagnetycznego wtryskiwacza CR: 1 – faza Booster (podwyższenie napięcia), 2 – faza przyciągania zwory elektromagnesu, 3 – faza podtrzymania zwory w pozycji przyciągniętej, 4 – faza wyłączania
W fazie przyciągania, czyli po osiągnięciu zadanej wartości IBoost, elektronika sterująca zasila zawór elektromagnetyczny wtryskiwacza napięciem akumulatora UBatt. Poprzez taktowanie (sterowanie impulsowe, zwane też czoperowaniem) tegoż napięcia na cewce elektrozaworu, kontrolowany jest prąd pomiędzy IAmin i IAmax w czasie tA, potrzebnym do realizacji tej fazy pracy. Generowana wtedy siła pola magnetycznego podnosi kotwicę (zworę) elektromagnesu wtryskiwacza, powodując otwarcie zaworu upuszczającego paliwo z komory sterującej, po czym iglica rozpylacza unosi się i rozpoczyna się wtrysk.

Zadaniem fazy podtrzymania jest utrzymanie zaworu elektromagnetycznego w pozycji otwartej. Potrzebna jest do tego energia mniejsza niż w fazie przyciągania, więc zdefiniowane ujemne napięcie ULA zmniejsza prąd w cewce elektrozaworu do ustalonego poziomu IHmin. Następnie elektronika sterowania w wyniku taktowania napięcia akumulatora UBatt ogranicza prąd sterowania pomiędzy IHmin i IHmax do osiągnięcia wymaganego okresu sterowania TAD. Okres wysterowania wtryskiwacza TAD jest określony od nowa w każdym kroku pomiarowym testu. Poprzez gwałtowne obniżanie (wygaszanie) sygnału do poziomu IH redukuje się straty energii w elektronice sterującej i we wtryskiwaczu. W fazie impulsowego wygaszania sygnału nadmiar energii jest uwalniany w postaci napięcia samoindukcji i kumulowany w kondensatorze, a następnie wykorzystany w fazie Booster.

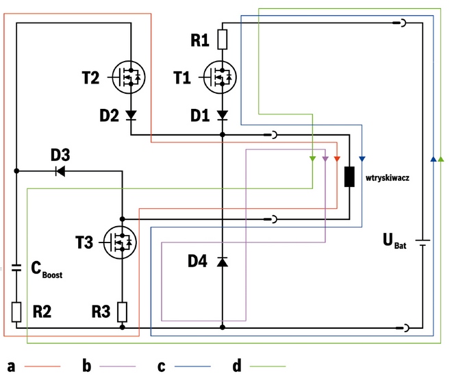
Uproszczony schemat elektryczny sterownika systemu wtryskowego CR
W fazie wyłączania, w wyniku podania zdefiniowanego ujemnego napięcia ULH, prąd w cewce elektrozaworu maleje do poziomu zerowego: i(t) = 0 A. Elektrozawór wtryskiwacza jest wyłączony, a iglica dyszy rozpylacza osiada z powrotem w swoim gnieździe. Proces wtryskiwania jest zakończony. Faza wyłączenia jest głównym źródłem energii akumulowanej w kondensatorze jako napięcie samoindukcji i wykorzystywanej w następnej fazie Booster.

Sposób podłączenia sond oscyloskopu
W zależności od konstrukcji systemu wtryskowego faza wyłączania może przebiegać w dwóch alternatywnych trybach: 0 albo 1. Przy trybie 0 wyłączenie odbywa się zawsze z poziomu prądu podtrzymania (IH), a rozwiązanie to dotyczy nowszych generacji wtryskiwaczy. W trybie 1 wyłączenie jest przeprowadzone z poziomu prądu podtrzymania (IH), jeżeli okres sterowania (tAD) jest dłuższy niż czas przyciągania (tA) i minimalny czas podtrzymania (tHmin). Jeśli jednak okres sterowania (tAD) jest krótszy niż czas przyciągania (tA) i minimalny czas podtrzymania (tHmin), wyłączenie jest przeprowadzone z poziomu prądu przyciągania (IA). Tryb 1 obowiązuje dla starszej generacji wtryskiwaczy.
Przy wyłączaniu w fazie przyciągania możliwe są dwie opcje redukcji prądu poprzez zmiany napięcia ULA. Standardem jest tutaj szybkie wyłączenie realizowane przez zastosowanie ujemnego napięcia, którego wartość oblicza się według zasady: –(UC – UBatt + 2 V). Możliwością alternatywną jest wolne wyłączenie realizowane za pomocą ustalonego ujemnego napięcia o wartości –1 V.
Analogiczne opcje dotyczą napięcia wyłączania ULH w fazie podtrzymania. Tu również standardowe, szybkie wyłączenie realizuje się za pomocą ujemnego napięcia, obliczanego według wzoru: – (UC – UBatt + 2 V), lecz jest także możliwość bardzo szybkiego wyłączenia realizowanego za pomocą ujemnego napięcia: – (UC + 2 V).
Możliwości wprowadzania danych profili
Przedstawione poniżej konkretne dane dotyczą przykładu wtryskiwaczy elektromagnetycznych firmy Delphi.
• Czas fazy przyciągania tA – zakres regulacji: 100–500 µs
• Prąd przyciągania IA – zakres regulacji: 2–21 A (w krokach 0,25 A), przy tolerancji: 0,5–2,5 A (w krokach 0,25 A)
Zakres regulacji mieści się pomiędzy dopuszczalnym prądem IAmin a górną wartością graniczną IAmax, zadaną dla prądu przyciągania z uwzględnieniem określonej tolerancji.
• Napięcie akumulatora UBatt, czyli napięcie zasilania wtryskiwaczy: 14 lub 28 V
• Napięcie na kondensatorze UC – zakres regulacji: 30–60 V
• Zmiana prądu IBoost – zakres regulacji: 5–25 A (w krokach 0,25 A)
Napięcie na kondensatorze wpływa na szybkość wzrostu impulsu prądu.
• Minimalny czas podtrzymania tHmin – zakres regulacji: 30–100 µs
• Prąd podtrzymania IH – zakres regulacji: 2–17 A (w krokach 0,25 A), przy tolerancji: 0,5–2,5 A (w krokach 0,25 A)
Zakres regulacji, w którym prąd podtrzymania ma być kontrolowany, mieści się pomiędzy dopuszczalną dolną granicą prądu IHmin a górną wartością graniczną IHmax. Określa go wartość zadana przy uwzględnieniu tolerancji.
Rejestracja przebiegów oscyloskopowych
Poszczególne elementy prądowego sterowania wtryskiwacza zostały poglądowo zobrazowane na załączonym schemacie elektrycznym sterownika. Łączące je kolorowe linie symbolizują przepływy prądu w odpowiednich obwodach elektrycznych.
Do rejestracji przebiegów napięciowo-prądowych można posłużyć się dwukanałowym oscyloskopem cyfrowym, takim jak np. FSA 7XX lub FSA 500 firmy Bosch.

Przykładowy przebieg elektryczny wyświetlony na ekranie oscyloskopu
Sposób podłączenia zacisków napięciowych i sondy prądowej (cęgi prądowe) pokazuje kolejna z ilustracji. W przypadku zastosowania dodatkowo przewodu uziemiającego diagnoskop FSAXXX (przewód masowy z dużym czarnym krokodylkiem) należy bezwzględnie użyć funkcji bezpotencjałowego pomiaru przebiegu napięciowego, aby nie doszło do awarii sprzętu pomiarowego z powodu zwarcia z masą pojazdu jednego z normalnie od niej izolowanych biegunów cewki wtryskiwacza.
Dla zapewnienia dostatecznej rozdzielczości pomiaru przebiegu prądowego proponuje się zastosowanie cęgów prądowych o zakresie 30 A.
Jerzy Gładysek, Michał Gładysek
CR common rail silnik wysokoprężny wtrysk sterowanie silnik Diesla wtryskiwacz elektromagnetyczny

0 komentarzy dodaj komentarz