W trakcie użytkowania samochodowych układów klimatyzacji znajdujący się w nich czynnik roboczy ulega stopniowemu zanieczyszczeniu wodą, zużywa się olej smarujący sprężarkę i traci sprawność filtr powietrza.
Eksploatacyjne zużywanie się niektórych elementów klimatyzatora sprawia, że konieczne staje się jego cykliczne, coroczne serwisowanie, polegające na oczyszczeniu i osuszeniu czynnika roboczego oraz na wymianie oleju i filtra powietrza. Ostatnia z tych czynności wykonywana jest bez korzystania ze specjalistycznych narzędzi, natomiast pozostałe wymagają zastosowania odpowiedniego sprzętu, obsługiwanego w trybie manualnym, półautomatycznym lub automatycznym.
Niezbędne wyposażenie serwisowe
Urządzenia automatyczne po podłączeniu do obiegu klimatyzatora wszystkie czynności obsługowe wykonują samoczynnie według zadanego programu. Dysponują też zainstalowanymi bazami danych różnych modeli i wersji klimatyzowanych pojazdów. Półautomaty pracują podobnie, ale z tą różnicą, iż świeży olej i środek barwiący trzeba przy ich wykorzystywaniu wprowadzać ręcznie. Oba rodzaje urządzeń zautomatyzowanych dają się z reguły przełączać w razie potrzeby na tryb obsługi manualnej.
Niezależnie od rodzaju i trybu pracy wykorzystywanego oprzyrządowania w jego skład wchodzić muszą:
Agregaty serwisowe różnych producentów stają się coraz bardziej do siebie podobne
Serwisowaniu za pomocą wymienionego tu sprzętu mogą być poddawane jedynie instalacje całkowicie sprawne. Dlatego czynności obsługowe należy zawsze poprzedzać i kończyć pełną diagnozą stanu klimatyzatora, czyli kontrolą jego szczelności i prawidłowości funkcjonowania. Nieodzowną częścią obsługowego programu jest także czyszczenie i dezynfekcja kanałów nawiewu schładzanego powietrza.
Przebieg serwisowania
Rodzaj i kolejność operacji wykonywanych w trybie automatycznym lub ręcznym zostaną tu przedstawione na przykładzie konkretnego uniwersalnego agregatu obsługowego Behr Eco Pro 3001.
![]() |
Przed rozpoczęciem pracy tego urządzenia należy: sprawdzić ogólny jego stan oraz poziom oleju w pompie próżniowej, odryglować zabezpieczenie wagi czynnika chłodniczego i włączyć agregat. Następnie, za pośrednictwem menu „Ustawienia”, kontroluje się zapas materiałów eksploatacyjnych (czynnik chłodniczy, olej, czynnik UV). Przygotowanie pojazdu do odzysku czynnika z klimatyzacji polega na uruchomieniu silnika, włączeniu klimatyzacji nastawionej na maksymalną wydajność i utrzymywaniu przez kilka minut prędkości obrotowej w zakresie 1500-2000 obr./min. Potem do przyłączy serwisowych klimatyzacji w pojeździe podłącza się węże agregatu z ewentualnym wykorzystaniem akcesoryjnych adapterów. Jeśli praca ma się odbywać w trybie automatycznym, trzeba w menu „Ustawienia” wybrać opcję „Zmiana wartości startowych”, a następnie „Tryb automatyczny”, co otwiera możliwość wyboru programu według typu pojazdu (z bazy danych) albo danych klienta zarejestrowanych już wcześniej bądź wprowadzanych w tym momencie ręcznie. W bazie danych do każdego pojazdu przypisane są ilości czynnika chłodniczego oraz ilości oleju w instalacji. Operator musi tylko zdecydować, czy wraz z regeneracją czynnika chce dokonać automatycznego dodania oleju i czynnika barwiącego. Po potwierdzeniu wszystkich podjętych decyzji rozpoczyna się właściwa praca urządzenia w trybie automatycznym. Ekran konfiguracji trybu automatycznego daje też użytkownikowi możliwość wyboru poszczególnych elementów pełnego cyklu serwisowego, które mają być wykonane w trybie automatycznym. Ustawienia te są zapisywane w pamięci urządzenia i będą pojawiać się przy następnych uruchomieniach trybu automatycznego aż do momentu zmiany jego parametrów. |
![]() |
|
![]() |
|
| Pomocniczy sprzęt: (od góry) montażowy, do kontroli wycieków, do pomiaru temperatur |
Podczas pracy w trybie automatycznym wykonywane są kolejno:
Po ich zakończeniu i skontrolowaniu szczelności układu metodą ujawniania wycieków promieniami należy uruchomić klimatyzację i za pomocą czujnika temperatury stwierdzić skuteczność schładzania powietrza nawiewanego do kabiny.
Praca w trybie ręcznym pozwala na wykonywanie przez operatora dowolnej fazy procesu serwisowego. W fazie opróżniania układu wybierać można między opcją odzysku całego czynnika a określeniem konkretnej ilości czynnika chłodniczego do odzyskania. Odzysk oleju następuje po wyborze i uruchomieniu odpowiedniej procedury i kończy się wyświetleniem komunikatu o poprawnym jej zakończeniu i o ilości odzyskanego oleju.
W trybie ręcznym wytwarzanie podciśnienia i test próżni mogą być wykorzystywane do celów diagnostycznych, niezależnych bezpośrednio od cyklu serwisowego, lecz związanych np. z przeprowadzoną naprawą, usunięciem nieszczelności lub płukaniem układu.
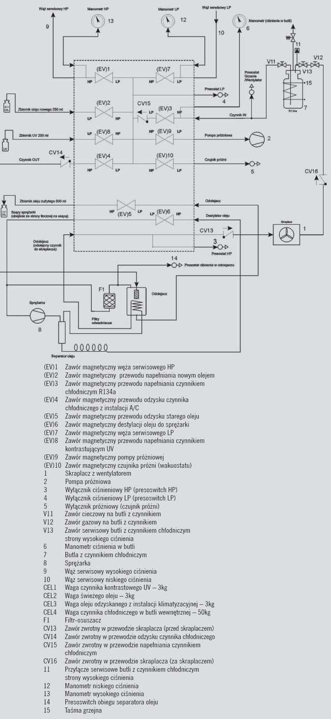
Poniżej: Elementy konstrukcji urządzenia Behr Eco Pro 3001

0 komentarzy dodaj komentarz