Urządzenie, w którym następuje wytwarzanie mieszanki paliwowo-powietrznej w silnikach ZI (patrz » silnik ZI). Tworzenie mieszanki odbywa się na zasadzie rozpylania benzyny dozowanej z dyszy w zasysanym strumieniu powietrza. Ważnym elementem gaźnika jest przepustnica, pozwalająca na regulowanie ilości mieszanki dostarczanej do silnika, oraz komora pływakowa, utrzymująca stały poziom paliwa w dyszy rozpylającej. Coraz ostrzejsze przepisy dotyczące czystości spalin zmuszały do stosowania bardziej skomplikowanych konstrukcji gaźników i w końcu do ich zastąpienia elektronicznymi urządzeniami wtryskowymi.

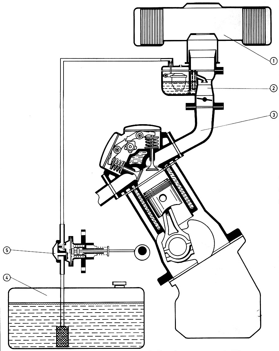
Gaźnikowe zasilanie silnika ZI: 1. filtr powietrza 2. gaźnik 3. rura ssąca 4. zbiornik paliwa 5. pompa paliwa

Schemat gaźnika: 1. napowietrzanie komory pływakowej 2. zawór iglicowy sprzężony z pływakiem 3. pływak 4. poziom paliwa 5. przepustnica 6. gardziel 7. rozpylacz