strona główna Wyposażenie Stanowiska pomiarowe do geometrii 3D
2019-05-08, ostatnia aktualizacja 2019-05-08 12:30

Stanowiska pomiarowe do geometrii 3D

Fot. Werther

Fot. Werther

Ten rodzaj kontroli geometrii kół pojazdu eliminuje liczne niedogodności urządzeń poprzednich generacji. Brak w nim elektroniki mocowanej do kół. Nie ma problemu zasłaniania wiązki podczerwieni ani kłopotów z rozładowanym akumulatorem.

Pomiary 3D są bardzo szybkie, a w ramach postępu technicznego wykorzystywane w nich urządzenia są nieustannie doskonalone. W efekcie już prawie każde stanowisko pomiarowe może być znacznie unowocześnione. Przy czym, nie oznacza to konieczności ponoszenia wysokich kosztów na rozwiązania wielokamerowe czy hybrydy łączące technologie 3D i CCD. Wystarczą dwie kamery o wysokiej rozdzielczości z zestawem obiektywów, typoszereg tarcz refleksyjnych z markerami o różnych rozmiarach oraz specjalne oprogramowanie przetwarzające.

Odwrócone podejście

Indywidualne dopasowanie urządzeń i podzespołów do stanowiska pomiarowego to aktualny priorytet zespołu konstruktorów oraz techników instalujących urządzenia Werther. Długa lista wymagań dotyczących warunków instalacji urządzenia i konieczność budowy specjalnych stanowisk według wymagań producenta to w większej części już przeszłość. Obecnie problemem dostawcy jest utworzenie profesjonalnego i wygodnego stanowiska diagnostycznego w warunkach, jakimi dysponuje inwestor.

Praktyczna realizacja

Producent marki Munster dostarcza wariantowe zestawy do instalacji urządzeń. Do konkretnych warunków dobierane są najkorzystniejsze podzespoły i parametry, takie jak:

  • rozdzielczość kamer;
  • pozycjonowanie pionowe lub poziome kamer i promienników IR;
  • ogniskowe obiektywów: 9, 12, 17 lub 25 mm;
  • rozmiar tarcz refleksyjnych – 6 typów;
  • rozstaw kamer.

Indywidualnie dostosowuje się rozstaw kamer dla wygodnego pomiaru samochodów bardzo szerokich – np. małych ciężarówek i samochodów amerykańskich, czy też pojazdów szczególnie wąskich, jak pojazdy Melex.

Wymagania ogólne

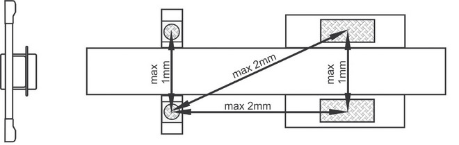
W odniesieniu do stanowiska pomiarowego dopuszczalne są następujące, niżej podane różnice poziomów:

  • pomiędzy stroną lewą i prawą: 1 mm;
  • pomiędzy przodem i tyłem: 2 mm;
  • po przekątnej przód lewo – tył prawo: 2 mm;
  • po przekątnej przód prawo – tył lewo: 2 mm;

Powierzchnia stanowiska powinna być równa i płaska tak. aby umożliwić wykonanie kompensacji bicia obręczy kół metodą przetoczenia do tyłu na odległość do 0,4 m. Obrotnice i płyty rozprężne powinny być umieszczone w zagłębieniu na poziomie stanowiska pomiarowego. W przypadku wykonywania jedynie pomiarów (bez regulacji) tylne płyty nie są wymagane.

Gdy podane wyżej wymagania zostaną spełnione – to istnieje pewność, że urządzenie wskaże prawdziwe wyniki. Odchyłki i błędy stanowiska pomiarowego należy korygować:

  • w przypadku podnośnika czterokolumnowego lub nożycowego – przez okresowe poziomowanie,
  • w przypadku stanowiska z kanałem przeglądowym – przez podłożenie pod obrotnice i płyty rozprężne podkładek z taśmy gumowej o wymaganej grubości.

Gdy stanowisko nie spełnia do końca w/w wymagań, z pomocą przychodzą funkcje oprogramowania.

Gdy nie jest możliwe przetoczenie po płaskim i równym podłożu – stosuje się funkcję kompensacji bicia obręczy kół przy uniesionych kołach. Ponadto dostępna jest funkcja kompensacji błędów stanowiska. Funkcja uruchamiana jest automatycznie i przeliczone mogą zostać wyniki uzyskane na stanowiskach pochyłych w granicach do 6 mm różnicy poziomów prawo-lewo oraz 12 mm różnicy poziomów przód-tył. Tę funkcje należy traktować jako pomoc przejściową, ewentualnie awaryjną w sytuacjach, gdy na przykład:

  • posiadany podnośnik odkształca się przy wjeździe cięższych pojazdów;
  • przypadkiem błędnie zablokowano pomosty podnośnika do pomiaru;
  • podnośnik posiada różne odchylenia poziomu na rożnych wysokościach platform.

Należy dążyć do uzyskania stanowiska zbliżonego do idealnego. Funkcja kompensacji ustrzeże przed niewłaściwą regulacją, gdyby zdarzyły się przypadki wymienione wyżej lub podobne. Granicą kompensacji jest takie przechylenie pojazdu, gdy elementy zawieszenia uginają się niesymetrycznie.

Stanowiska z podnośnikami

Stanowiska z podnośnikami nożycowymi i czterokolumnowymi są tworzone wygodnie przy zastosowaniu urządzeń w wersji LIFT, ponieważ kompaktowe konstrukcje zajmują minimalną powierzchnię oraz posiadają elektryczną windę do ustawiania kamer względem pomostów podnośnika.

Słup może być zainstalowany tuż przy przednim spoilerze samochodu lub dalej, aż do odległości ok 4,5 m od osi przednich kół.

Obecnie stosunkowo najłatwiejszym sposobem uzyskania płaskiego i poziomego stanowiska jest instalacja podnośnika cztero kolumnowego. Zakres prac budowlanych jest tu minimalny, a ich jakość nie decyduje o końcowym wyniku, gdyż ważniejszy jest tu sam podnośnik i jego właściwości.

Gdy istotne ograniczenie stanowi ciąg komunikacyjny przed podnośnikiem lub inna przeszkoda, wówczas przydatny staje się system czterokamerowy Munster Falc. Po zamocowaniu do ściany umożliwia on wykonywanie pomiarów i regulacji w zasadzie na każdej wysokości pomostów podnośnika.

System Falc w swej najbardziej zaawansowanej wersji przesyła wstępnie przetworzony obraz bezprzewodowo. Przykład jego zastosowania pokazuje rysunek 5. Szafka typu PROF chroni w tym wypadku, większość potrzebnych akcesoriów i osprzętu pomiarowego.

Stanowiska na kanale przeglądowym

Stanowisko takie wyróżnia stabilność powierzchni pomiarowej oraz brak odkształceń podłoża bez względu na ciężar badanego pojazdu. Stanowisko jest bezobsługowe. W przypadku stosowania zestawu Munster LIFT belka kamer jest obniżana na czas pomiaru do wysokości ok. 1,2 m.

W pozostałym czasie belka powinna być uniesiona (zaparkowana) – aby zabezpieczyć kamery przed przypadkowym uderzeniem.

Przy adaptacji istniejącego pomieszczenia z kanałem przeglądowym koniecznie należy zwrócić uwagę na następujące czynniki:

  • Czy posadzka jest ciągła i nie posiada wykruszeń i uskoków?
  • Czy posadzka nie jest pofalowana?
  • Jakie występują różnice poziomów w miejscach najazdu kołami samochodu?

Gdy występują problemy z widocznością monitora, istnieje możliwość doposażenia w drugi monitor zamocowany w dolnej części szafki lub na ścianie kanału przeglądowego.

Zagłębienia do instalacji osprzętu pomiarowego należy wykonać przez wbetonowanie stalowych, ocynkowanych ram, posiadających kotwy ustalające. Powierzchnie górne ram powinny zostać ustawione na jednym poziomie, dna zagłębień wykonać należy ze szczególną starannością. Najlepsze wyniki daje stosowanie elementów konstrukcyjnych zaprojektowanych fabrycznie.

Obrotnice przesuwane są poprzecznie, aby ustawić je centralnie pod kołem wjeżdżającego pojazdu. Talerz obrotnic wraz z częścią posadzki przed obrotnicą o długości 40 cm tworzy płaską, poziomą powierzchnię. Pomiędzy talerzem a obrzeżem zagłębienia umieszcza się gumowy element wyrównujący. Płyty rozprężne do uwalniania naprężeń kół osi tylnej są osadzane w tylnym zagłębieniu. Ze względów ekonomicznych warto zastosować płytę o długości 1 m oraz płyty wypełniające. Dostosowanie położenia uzyskuje się, zmieniając kolejność elementów. Dla pojazdów krótkich lub długich płytę przesuwamy w skrajne położenie i przekładamy wypełnienie na przeciwną stronę.

Stanowiska płaskie mogą zostać dostosowane do regulacji geometrii kół przez zastosowanie podjazdów. Podjazdy posiadają płaszczyznę poziomą do przetaczania pojazdu. Zaleca się zestawy czterech podjazdów i czterech obrotnic. Elementy są przenośne i układane na stanowisku w przypadku wykonywania pomiarów. Podjazdy można stosować zarówno na stanowiskach z kanałem przeglądowym, jak i na płaskich podnośnikach.

Na rysunkach 9,10,11 przedstawiono możliwości instalacji zespołów pomiarowych, w tym na stanowisku przelotowym.

W wersji Drive, kamery pomiarowe i promienniki podczerwieni rozmieszczone w kolumnach ustawionych po obu stronach stanowiska pomiarowego. Urządzenie umożliwia utworzenie stanowiska przelotowego, potokowego, gdzie ruch obsługiwanych samochodów odbywa się w jedną stronę.

Kolumny można ustawić przy bramie wyjazdowej. Również w przypadkach, gdy bezpośrednio przed stanowiskiem pomiarowym znajdują się przeszkody lub niemożliwe jest zamocowanie takiej konstrukcji – mogą być zastosowane kolumny Munster 9002 3D Drive.

Dwie czy cztery kamery?

Większość stanowisk diagnostycznych może być obsługiwana dwoma kamerami. Jeśli stanowisko posiada podnośnik, wówczas badania na różnych wysokościach umożliwia ruchoma belka kamer przestawiana wciągarką elektryczną.

Systemy 2-kamerowe Munster są dostępne w następujących wykonaniach:

LIFT – z kolumną i napędem pionowym belki kamer – uniwersalne zastosowanie;

MOTION – jw. na wózku z oprzyrządowaniem – wersja mobilna wielostanowiskowa;

PROF – wersja LIFT z szafką PROF;

PIT – zestaw do kanałów przeglądowych;

WALL – zestaw do kanałów przeglądowych z mocowaniem ściennym;

CUBE – jw., niezależne mocowanie kamer;

DRIVE – stanowisko przejazdowe.

Systemy 4-kamerowe zapewniają ciągłą widoczność tarcz refleksyjnych w zakresie zmian wysokości podnośnika – od pozycji pomiarowej, do pozycji regulacji i odwrotnie, bez konieczności przemieszczania kamer. Każda z kamer obserwuje jedno koło. Kamery umieszczone są wysoko i nieruchomo. Tarcze refleksyjne są mniejsze i jednakowe, co ogranicza uciążliwość korzystania z wąskich podnośników 4-kolumnowych. Kamery mogą być montowane do innych elementów konstrukcyjnych, takich jak ściana.

W przypadku gdy przed stanowiskiem diagnostycznym znajduje się ciąg komunikacyjny lub drzwi, 4-kamerowy system jest najlepszy.

Specjalnie opracowany zespół 2 x 2 kamery o nazwie Falc pozwala na dowolne jego mocowanie w przestrzeni pomiędzy samochodem a ścianą warsztatu. Możliwe jest mocowanie także na kolumnach podnośnika 4-kolumnowego. Zespół Falc opracowano do tworzenia stanowisk dla samochodów ciężarowych, autobusów i zestawów: ciągnik siodłowy-naczepa.

Rys. 1. Schemat stanowiska pomiarowego firmy Werther

Rys. 2. Dopuszczalne odchyłki stanowiska pomiarowego według firmy Beissbarth

Rys. 3. Stanowisko z podnośnikiem nożycowym (Werther)

Rys. 4. Stanowisko z podnośnikiem czterokolumnowym (Werther)

Rys. 5. System czterokamerowy Werther Falc

Rys. 6. Stanowisko kanałowe Werther wersji mobilnej Motion

Rys. 7. Zestaw: płyta rozprężna i wypełnienia do zabudowy

Rys. 8. Zestaw: podjazd-obrotnica w zagłębieniu (Werther)

Rys. 9. Stanowisko na kanale przeglądowym, model Werther PIT

Rys. 10. Stanowisko na kanale przeglądowym, model Werther WALL

Rys. 11. Stanowisko na kanale przeglądowym, model Werther DRIVE



Marek Jankowski
Dyrektor zarządzający Werther International Polska Sp z o.o.



 

Wasi dostawcy


Podobne

Polecane


ver. 2023#2