strona główna Materiałoznawstwo Smary dla motoryzacji i transportu
2014-03-06, ostatnia aktualizacja 2014-03-06 06:17

Smary dla motoryzacji i transportu

Fot. Autor, archiwum

Fot. Autor, archiwum

Główne rodzaje i zastosowania

Prawie 90% produkowanych obecnie łożysk napełnianych jest fabrycznie smarem plastycznym w systemie for life, czyli bez jego wymiany w całym czasie pracy. Ponadto tego rodzaju materiały służą do smarowania szerokiej gamy urządzeń, takich jak różnego rodzaju przekładnie (np. kierownicy), przeguby napędowe, sworznie, mechanizmy sprzęgieł i hamulców itp.

O przydatności do konkretnych zastosowań decyduje rodzaj wprowadzonego zagęszczacza. Tak więc smary litowe Li stosowane są jako wielofunkcyjne, niemal uniwersalne. Użycie mydła Ca, Li/Ca, kompleksowego sulfonianem Ca, polimocznika lub bentonitu nadaje smarom odporność na wymywanie wodą.

Mydła kompleksowe (Li/kompleks, Ca/kompleks, Al/kompleks) używane są w produktach wysokotemperaturowych pracujących w temperaturach do 160°C, a maksymalnie do 180°C. Przy jeszcze wyższych temperaturach, nawet do 280°C, wykorzystuje się smary z zagęszczaczami nieorganicznymi lub polimocznikami.

smary

Problem odporności termicznej polega na tym, że po ogrzaniu smaru do pewnej temperatury (zwanej temperaturą kroplenia) struktura włókien przestrzennych ulega zniszczeniu, a smar po ostygnięciu nie może wrócić do swojej poprzedniej stałej postaci. Dlatego przyjęto praktycznie, że maksymalna temperatura pracy smarów powinna być o co najmniej 30°C niższa od temperatury kroplenia. Na przykład dla smarów litowych górną temperaturę pracy wyznacza się na poziomie 140°C, choć ich typowa temperatura kroplenia to 175–180°C.

smary

Nowoczesne wysokotemperaturowe smary samochodowe produkowane są technologią sprawdzoną w piastach bolidów Formuły 1. Najbardziej powszechne zastosowanie znajdują w łożyskowaniu kół pojazdów ciężarowych i to w systemie for life, gdzie wytrzymują przebiegi rzędu 300–400 tys. km.

Jednym z kryteriów doboru smaru do konkretnego zastosowania jest lepkość kinematyczna zawartego w nim oleju. W przypadku smarowania łożysk wysokoobrotowych lepkość oleju musi być bardzo niska, rzędu 20–40 mm2/s (20–40 cSt), aby docierał on szybko do smarowanych powierzchni. Podobne zasady obowiązują w przypadku smarów o niskich momentach rozruchowych.

smary

Metoda produkcji i proporcje składników

W normalnie obciążonych łożyskach RL (regular load) lepkość oleju wynosi najczęściej około 100 mm2/s (100 cSt), a w silnie obciążonych – około 220 mm2/s (220 cSt), przy czym konieczne staje się stosowanie dodatków EP (extreme pressure), chroniących smarowane elementy w czasie szokowych obciążeń.

W smarach HD (heavy duty), przeznaczonych do najbardziej obciążonych łożysk, stosuje się olej bazowy o lepkości od 460 do ponad 1000 mm2/s (cSt) i maksymalną ilość dodatków przeciwzużyciowych.

smary

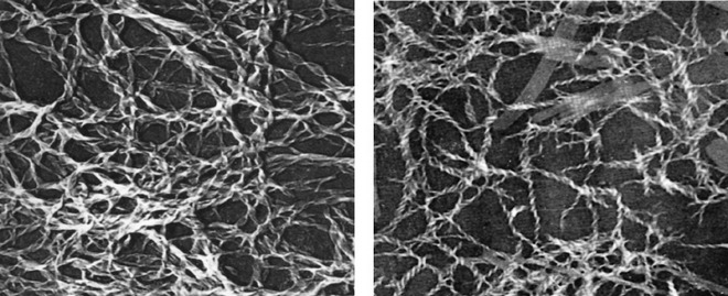
Struktura włókien mydła litowego (z lewej) i wapniowego

W przypadku bardzo obciążonych węzłów tarcia, przy małych ruchach względnych (np. siodło ciągnika siodłowego), zdolność przenoszenia maksymalnych obciążeń poprawia się za pomocą dodatku stałego środka smarnego (dwusiarczek molibdenu, grafit etc.). Należy jednak pamiętać, że smary takie nie nadają się do systemów centralnego smarowania, gdyż mogą blokować długie przewody.

smary

Jeżeli smar ma pracować w bardzo niskich (do –73°C), bardzo wysokich (do 230°C) lub zmieniających się w szerokim zakresie temperaturach, albo też przy bardzo wydłużonych przebiegach (long life) – stosuje się w nim syntetyczne oleje bazowe (węglowodory lub estry) oraz specjalne, odporne na wysokie temperatury zagęszczacze (bentonit, mikrożel, kompleksowe sulfoniany wapnia, polimoczniki, PTFE etc.). W smarach pracujących przy wydłużonych przebiegach i ekstremalnie wysokich temperaturach (do 300°C) stosuje się syntetyczne perfluoropolietery z PTFE.





Andrzej Tippe
Technical services manager Shell Helix

  • 2018-07-24 08:47

    gacol

    Wiktor Wąsik

    Najlepsze smary ma Gacol, ja używam w swoich maszynach i śmigają jak nowe.

    skomentuj

  • 2019-05-05 13:28

    GACOL

    Kurniczkowy

    Gacol - pełen profesjonalizm! Współpracuję od roku ale dawno nie byłem tak zadowolony z żadnej firmy jak z tej własnie. Dostarczają mi podzespoły to skomplikowanych systemów centralnego smarowania - jakość pierwsza klasa.

    skomentuj

  • 2019-08-26 14:49

    smar grafitowy

    tomciopaluch

    najlepszym smarem jaki kiedykolwiek używałem jest smar grafitowy od K2 http://bit.ly/3947_smar_grafitowy

    skomentuj



 

Wasi dostawcy


Podobne

Polecane


ver. 2023#2